
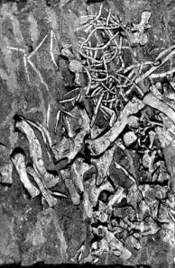
Fort Lee phytosaur, Rutiodon manhattanensis. Photograph of the skeleton as preserved in the original matrix. About 1/10 natural size. A description of it was published by the American Museum of Natural History, Bulletin XXXII, pp. 275–82, 1913
During the Second Interglacial stage, the Yarmouth of the Mississippi Valley, the Gardiners clay was deposited in Long Island. It was followed by a transitional epoch represented by the Jacob sand. Throughout the time of the Second Glaciation, the Second Interglacial, and the Third Glaciation, the channel of the Hudson remained constantly below sea level. The deposits, which have a combined thickness of about 500 feet, doubtless obliterated the tipper reaches of the Submarine Hudson channel.
The Third Interglacial interval, the Vineyard, is represented by (a) a great erosion unconformity, and (b) the Vineyard formation, consisting of marine deposits and peat. The valleys in the Manhasset deposits, although somewhat modified and partly filled with the later Wisconsin accumulations, are known to extend some distance below sea level at mans’ points along the north shore, indicating a former higher position of the land. The present upper submarine channel of the Hudson, which has a depth at its outer end of 350 feet, suggests that, the land must have been elevated to that extent during the Vineyard interval.
There are no erosion channels referable to Wisconsin or post-Wisconsin elevation on Long Island. The upper end of the Hudson channel, however, between Sandy Hook and Rockawav Beach, has been obliterated in part by Wisconsin outwash and in part by the shifting of the sands by the littoral currents that now sweep along the coast.
Thus in this rapid survey we have considered very briefly the Archæozoic, Proterozoic, Palæozoic, Mesozoic, (Triassic, Cretaceous), and Cenozoic (Pleistocene) series of rocks as represented in New York City and its vicinity. They are replete with interest but they represent only a few isolated and incomplete chapters of the geologic history of North America. The long Palæozoic era, including the Age of Invertebrates, Age of Fishes, and Age of Amphibians, is not represented by sediments in the area of the geologic map. The Jurassic and Lower Cretaceous periods occupying the middle portion of the Mesozoic era, the Age of Reptiles, are also not represented in this district. Likewise the Tertiary series, corresponding to the Age of Mammals, appears outside the area. The Pleistocene glacial deposits, which are contemporaneous with the Age of Man, are rather fully represented but, as yet, no human remains have been found in them in this area or anywhere in North America.